▌光伏水泵逆变器特性:
变频驱动器 (VFD),以最小的日照提供最大的扭矩。
适用于三相异步电机、主流光伏组件。
系统采用高效交流潜水泵/地表泵,以满足不同的要求。
水泵可直接连接到滴灌系统、喷泉系统。
转换效率超过 98%,可靠性高;
数字控制,具有全自动运行、数据存储和完整的保护功能;
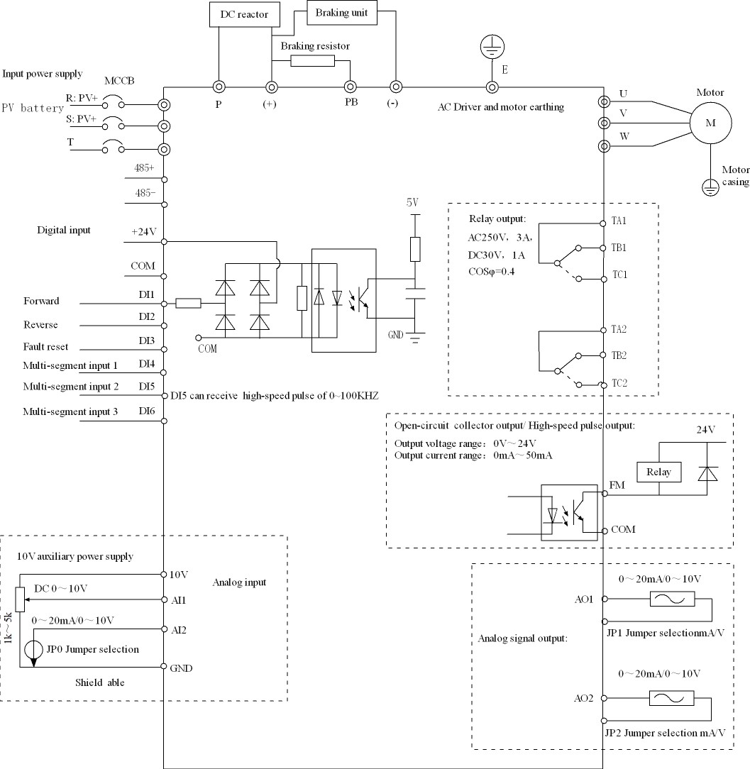
高可靠性主电路智能电源模块(IPM);
远程监控,应用灵活,智能可靠,可切换到市电工作。
内置智能 IGBT 模块,内置过压、过载、过热和干运行保护功能。
无电池设计,完全由太阳能供电,适用于各种应用场合,实现成本效益,易于维护。
针对泵堵塞、三相平衡等问题采取了保护措施,延长了泵和控制器的使用寿命。
内置水泵保护功能,如干井、过流、输出过载、输入电压过低、输入电压过高、过温、雷击。
采用自动控制,如定时自动启动和关闭、水箱满时自动关闭、缺水时自动关闭。

全面的电压等级和功率范围
支持三相 220V 和三相 380V 电压 太阳能水泵 VFD, 功率从 0.75 千瓦到 75 千瓦
易于使用
只需将光伏面板连接到 VFD,无需设置任何参数,就能在通电后自动启动光伏泵
多重保护措施
它具有光伏过压保护、光伏极性反接报警、过温自动降额等保护功能,可有效延长产品寿命
先进的 MPPT 算法
控制方式,自动调节水泵的运行,以实现系统的最大发电量。确保太阳能发电跟踪效率可达99%



| 逆变器型号 | 功率容量 | 输入电流 | 输出电流 | 自适应电机 | 外围尺寸 | 安装孔径 | 外墙 | ||||
| 千伏安 | A | A | KW | H | W | D | A | B | Φ | # | |
| 工业用 1Ph 220V±10%;太阳能直流电 180V~450V; | |||||||||||
| PQ580-R40G1B | 1 | 5.4 | 2.5 | 0.4 | 162 | 105 | 150 | 95 | 150 | Φ5.0 | 图 1 |
| PQ580-R75G1B | 1.5 | 8.2 | 3.8 | 0.75 | |||||||
| PQ580-1R5G1B | 3 | 14 | 7 | 1.5 | |||||||
| PQ580-2R2G1B | 4 | 23 | 9 | 2.2 | |||||||
| 工业 3Ph 340-460V;太阳能直流 350V~750V; | |||||||||||
| PQ580PV-R75G4 | 1.5 | 3.4/5.0 | 2.1/3.8 | 0.75/1.5 | 162 | 105 | 150 | 95 | 150 | 5Φ | 图 1 |
| PQ580PV-1R5G4 | 3 | 5.0/5.8 | 3.8/5.1 | 1.5/2.2 | |||||||
| PQ580PV-2R2G4 | 4 | 5.8/9 | 5.1/7.0 | 2.2/3.0 | |||||||
| PQ580PV-3R0G4 | 4.5 | 9/10.5 | 7.0/9.0 | 3.0/3.7 | |||||||
| PQ580PV-3R7G4 | 5.9 | 10.5/14.6 | 9.0/13 | 3.7/5.5 | 186 | 119 | 165 | 107 | 175 | 5Φ | 图 2 |
| PQ580PV-5R5G4 | 8.9 | 14.6/20.5 | 13/17 | 5.5/7.5 | |||||||
| PQ580PV-7R5G4 | 11 | 20.5/26 | 17/25 | 7.5/11 | 248 | 161 | 185 | 148 | 236 | 6Φ | 图 3 |
| PQ580PV-011G4 | 17 | 26/36 | 25/32 | 11.0/15.0 | |||||||
| PQ580PV-015G4 | 21 | 35/38.5 | 32/37 | 15/18.5 | 320 | 220 | 205 | 205 | 305 | 6Φ | 图 4 |
| PQ580PV-18R5G4 | 24 | 38.5/46.5 | 37/45 | 18.5/22 | |||||||
| PQ580PV-022G4 | 30 | 46.5/62.5 | 45/60 | 22/30 | |||||||
| PQ580PV-030G4 | 40 | 62.5/76 | 60/75 | 30/37 | 360 | 220 | 218 | 160 | 348 | 7Φ | 图 5 |
| PQ580PV-037G4 | 57 | 76/92 | 75/91 | 37/45 | 430 | 260 | 225 | 180 | 412 | 7Φ | 图 6 |
| PQ580PV-045G4 | 69 | 92/113 | 91/112 | 45/55 | |||||||
| PQ580PV-055G4 | 85 | 113/157 | 112/150 | 55/75 | 590 | 263 | 275 | 200 | 570 | 9Φ | 图 7 |
| PQ580PV-075G4 | 114 | 157/180 | 150/176 | 75/90 | |||||||
请联系我们的专业技术工程师、 我们将竭尽全力为您服务
扫描代码获取更多信息